Creating step designs from KiCAD for PSLab
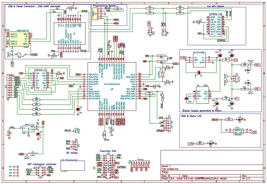
PSLab hardware device is developed using KiCAD. It is an open source PCB designing tool which we can use for […]
PSLab hardware device is developed using KiCAD. It is an open source PCB designing tool which we can use for […]
We can make plenty of PCB designs using KiCAD, a powerful open source CAD tool. What makes them unique is
Designing a PCB for a DIY project involves in making up the schematics which then turned into a PCB layout.
PSLab device consists of a hundreds of electronic components. Resistors, diodes, transistors, integrated circuits are to name a few. These
A circuit is a combination of passive or active electronic components which are interconnected with wires and provided to power
The PSLab hardware project designed in KiCAD, an ECAD tool; doesn’t support collaborative features like Git providing for software projects.
Generally ECAD tools are not built to support collaborative features such as git in software programming. PSLab hardware is developed